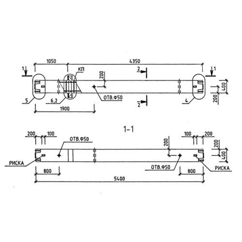
1КС колонны

Чертеж изделия:
Характеристики изделия:
ПараметрЗначение
длина5400 мм
ширина400 мм
высота400 мм
масса2225 кг
нормативный документСерия 1.020-1/83

1КС  Колонны Серия 1.020-1/83.