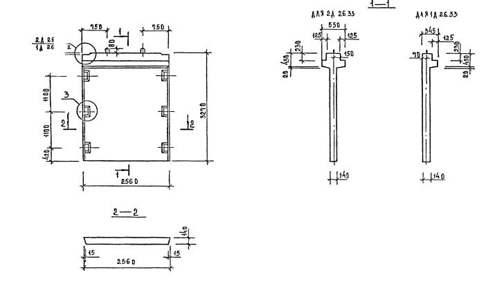
2Д 26.33 диафрагмы жесткости

Чертеж изделия:
Характеристики изделия:
ПараметрЗначение
длина2560 мм
ширина550 мм
высота3270 мм
масса3780 кг
нормативный документСерия 1.020-1/87

2Д 26.33   Диафрагмы жесткости с двумя полками Серия 1.020-1/87.