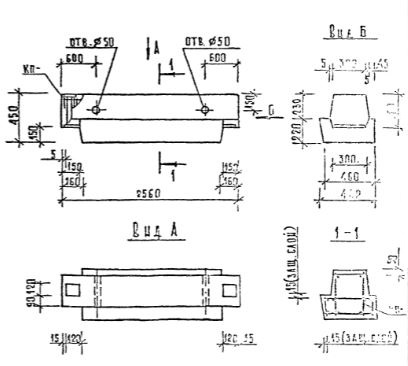
РОП 4.26 ригели

Чертеж изделия:
Характеристики изделия:
ПараметрЗначение
длина2560 мм
ширина482 мм
высота450 мм
масса1050 кг
нормативный документСерия 1.020-1/87

РОП 4.26  Ригели однополочные для опирания многопустотных плит покрытия Серия 1.020-1/87.