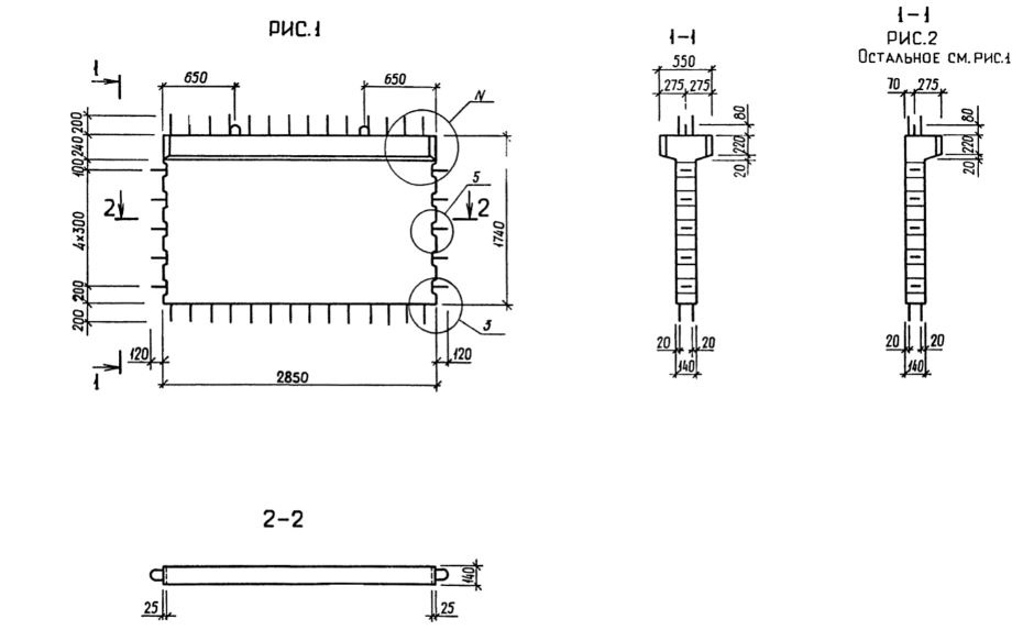
2Д 29.17

Чертеж изделия:
Характеристики изделия:
ПараметрЗначение
длина3090 мм
ширина550 мм
высота2140 мм
масса2450 кг
нормативный документСерия 1.020.1-3пв

2Д 29.17  Диафрагмы жесткости с двумя полками Серия 1.020.1-3пв.