ПГ 26-31д

Чертеж изделия:
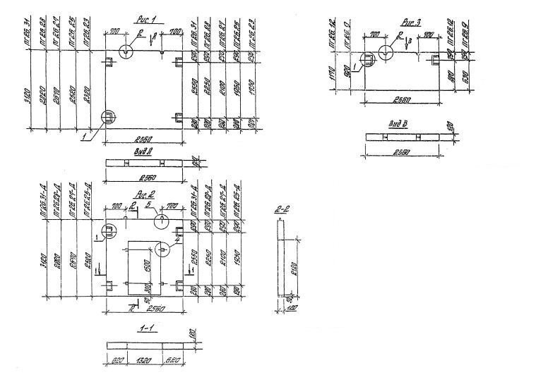
Характеристики изделия:
ПараметрЗначение
длина2560 мм
ширина120 мм
высота3120 мм
масса1580 кг
нормативный документСерия 1.020.1-4

ПГ 26.31 д  Панели внутренних стен лестничных клеток с дверным проемом (Серия 1.020.1-4).