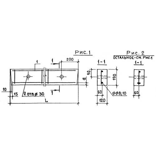
9ПБ 13 перемычки брусковые

Чертеж изделия:
Характеристики изделия:
ПараметрЗначение
длина1290 мм
ширина120 мм
высота190 мм
масса74 кг
нормативный документСерия 1.038.1-1

9ПБ 13  Перемычки брусковые Серия 1.038.1-1.