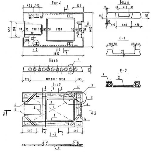
ПРС 26.15

Чертеж изделия:
Характеристики изделия:
ПараметрЗначение
длина2650 мм
ширина1490 мм
высота220 мм
масса1150 кг
нормативный документСерия 1.041.1-2

ПРС 26.15 Плиты ребристые сантехнические Серия 1.041.1-2.