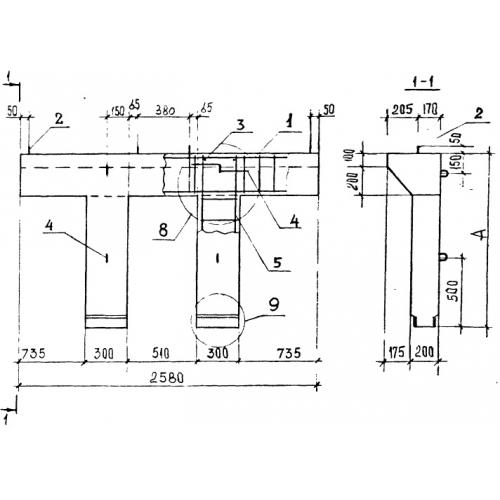
ЛР 14

Чертеж изделия:
Характеристики изделия:
ПараметрЗначение
длина2580 мм
ширина1410 мм
высота220 мм
вес930 кг
серия1.050.1-3

ЛР 14 лестничные рамы по серии 1.050.1-3.