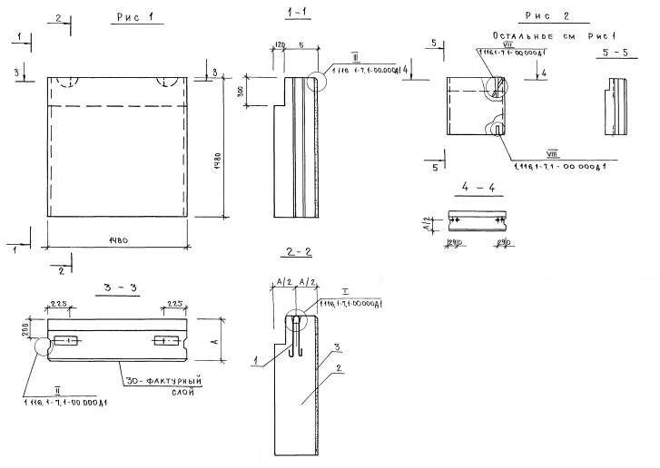
СБ 7,1-15.15.55-Т-1.0.5

Чертеж изделия:
Характеристики изделия:
ПараметрЗначение
длина1480 мм
ширина550 мм
высота1480 мм
масса2717 кг
нормативный документСерия 1.116.1-7

Цокольные блоки толщиной 35, 45, 55 см  (Серия 1.116.1-7).

СБ 7,1-15.15.55-Т-1.0.5  (рис. 2)

СБ - тип блока -  стеновые блоки.

7 - цокольный блок.

1 (цифра после запятой) обозначение положения блока в плане: 1- рядовой, 2, 3-угловой, 5 - блок лоджий.

Группа цифр, разделенных точками, обозначает габариты изделия в дециметрах с округлением (длина, высота, толщина).

Т - тяжелый бетон.

Последний цифровой индекс указывает на дополнительные признаки (конфигурация торцов, вид проема, наличие отверстий для беспетлевого монтажа блоков): 1- симетричный, 2- несимметричный левый, 3 - несимметричный правый, наличие оконного (1) или  дверного проема (2), беспетлевой вариант (5).