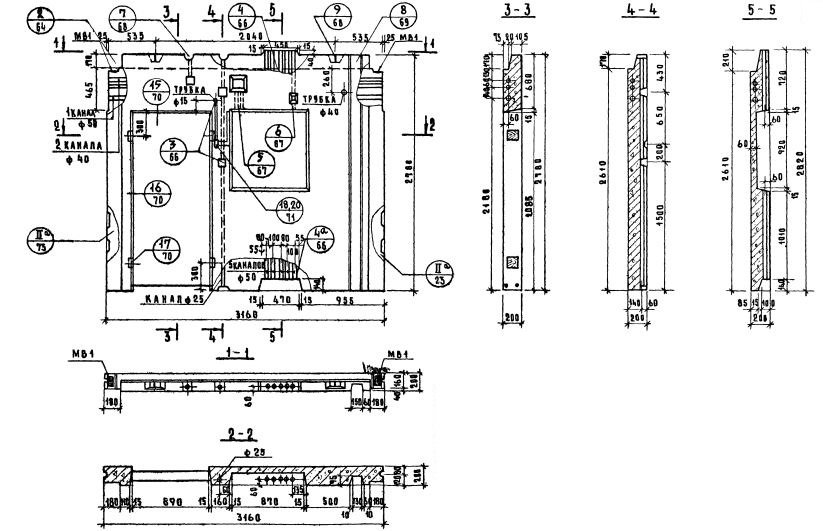
ВЭ4-32-28-2-длш

Чертеж изделия:
Характеристики изделия:
ПараметрЗначение
длина3160 мм
ширина200 мм
высота2780 мм
масса2730 кг
нормативный документСерия 1.131-10

Серия 1.131-10   Панели групп ВЭ1, ВЭ2, ВЭ4 длиной от 2,4 до 6 м  толщиной 200 мм.

ВЭ4-32-28-2-длш   Внутренние стеновые электротехнические панели.