В2 3-58.27.12-2.5

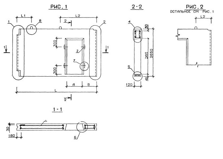
Чертеж изделия:
Характеристики изделия:
ПараметрЗначение
длина5800 мм
ширина120 мм
высота2650 мм
масса4000 кг
нормативный документСерия 1.131-2/82

Серия 1.131-2/82  Панели внутренних поперечных стен толщиной 120 и 160 мм.

В2 3-58.27.12-2.5  Внутренняя стеновая панель. (рис.2)