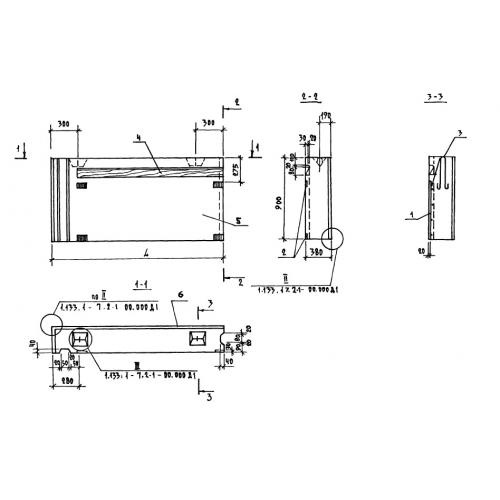
5БНУ 22.9.40

Чертеж изделия:
Характеристики изделия:
ПараметрЗначение
длина2180 мм
ширина380 мм
высота900 мм
вес910 кг
серия1.133.1-7

5БНУ 22.9.40 Блоки парапетные угловые по серии 1.133.1-7.