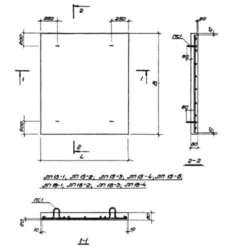
ЛП 18-2 лестничные площадки
Характеристики изделия:
| Параметр | Значение |
|---|---|
| длина | 1890 мм |
| ширина | 1790 мм |
| высота | 80 мм |
| масса | 670 кг |
| нормативный документ | Серия 1.450-1 |
Цена:
Рассчитать стоимостьЛП 18-2 Площадки для междуэтажных лестничных маршей Серия 1.450-1.
