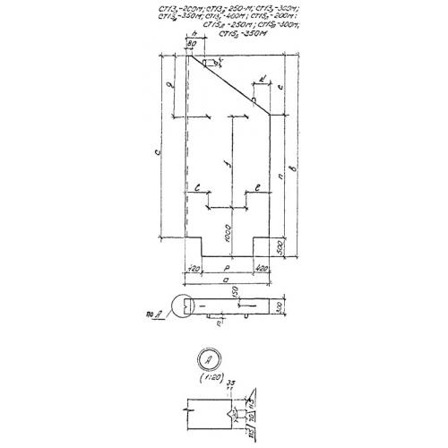
СТ 13 стенка

Чертеж изделия:
Характеристики изделия:
ПараметрЗначение
длина3800 мм
ширина1900 мм
высота300 мм
масса4300 кг
нормативный документСерия 3.501.1-179.94

СТ 13 Откосные стенки по Серии 3.501.1-179.94.