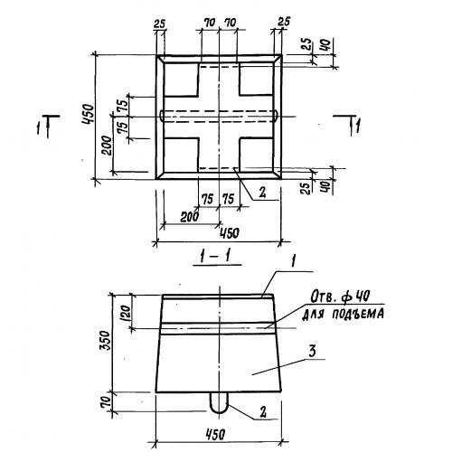
ФО 45

Чертеж изделия:
Характеристики изделия:
ПараметрЗначение
длина450 мм
ширина450 мм
высота350 мм
вес150 кг
серия3.818.9-2

ФО 45 вундаменты ограждений по серии 3.818.9-2.