СПК-5.5

Чертеж изделия:
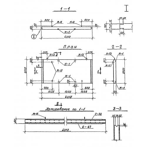
Характеристики изделия:
ПараметрЗначение
длина4310 мм
ширина2000 мм
высота180 мм
масса3880 кг
нормативный документСерия 3.903 КЛ-13

СПК-5.5  Средняя панель камеры по Серии 3.903 КЛ-13.