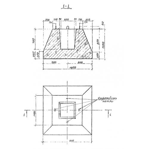
Ф-2

Чертеж изделия:
Характеристики изделия:
ПараметрЗначение
длина1500 мм
ширина1500 мм
высота600 мм
вес2000 кг
серияОФ 01-01

Ф 2 Фундамент по серии ОФ 01-01